012.20.0895.000.11.1504

Внутренний диаметр:
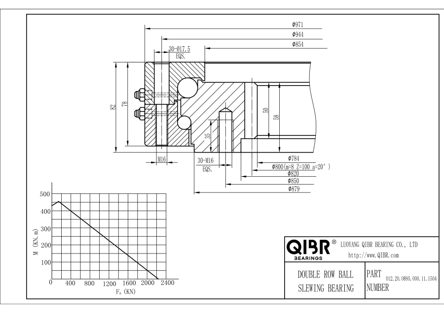
784 mm
Наружный диаметр:
971 mm
Ширина:
82 mm
Масса :
118 kg

Мы предложим вам самое подходящее решение.

012.20.0895.000.11.1504

Изображения могут отличаться от продукта. Подробнее см. технические характеристики.

Бренд : QIBR
Тип элемента качения : Ball
Система измерения : Metric
Вес : 118 kg
Наружный Диаметр (Da) : 971 mm
Внутренний диаметр (Di) : 784 mm
Общая высота (H) : 82 mm
Диаметр внешней окружности болта (La) : 944 mm
Внутренний диаметр окружности болта (Li) : 850 mm
Количество отверстий под болты на круг (n) : 30
Диаметр отверстия под болт (B) : 17.5 mm
Размер болта : 16 mm
Количество форсунок для смазки : 2
Диаметр (O) : 854 mm
Диаметр (U) : 879 mm
Высота кольца (H1) : 58 mm
Высота кольца (H2) : 78 mm
Расстояние между нижним наружным кольцом и внутренним кольцом (Hu) : 4 mm
Расстояние между верхним наружным кольцом и внутренним кольцом (Ho) : 24 mm
Диаметр делительной окружности шестерни : 800 mm
Модуль : 8 mm
Количество зубьев (z) : 100
Модификация дополнения (x*m) : 0.0
Сокращение дополнения (k.m) : Ask Us
Ширина зуба (b) : 50 mm
Допустимые нормальные касательные силы : 22.60 KN
Допустимые касательные силы макс. : 45.20 KN
Тип шестерни : External Gear
Температура : -20℃ to +120℃
Тип уплотнения : Closed Type
012.20.0895.000.11.1504
Weight, Outer diameter (Da), Inner diameter (Di), Overall height (H), External bolt circle diameter (La), Internal bolt circle diameter (Li), Number of bolt holes per circle (n), Bolt hole diameter (B), Bolt size, Number of grease nipples , Diameter (O), Diameter (U), Ring height (H1), Ring height (H2), Distance at bottom outer ring/inner ring (Hu), Distance at top outer ring/inner ring (Ho), Gear P.C.D., Module , Number of teeth (z), Addendum modification (x*m), Addendum reduction (k.m), Tooth width (b), Permissible tangential forces normal, Permissible tangential forces MAX, Gear type,

QIBR - 012.20.0895.000.11.1504 Поворотный Подшипник Преимущества и Применения

012.20.0895.000.11.1504 Поворотный Подшипник обладает высокой несущей способностью и низким коэффициентом тренияInner diameter (Di) - 784 mm,Outer diameter (Da) - 971 mm,Overall height (H) - 82 mm,Weight - 118 kg. Он подходит для астрономических наблюдательных приборов, машин для розлива напитков, военного оборудования, транспортных машин для перевозки тяжелых грузов, высокоточных станков и т. д. Это самый широко используемый подшипник в условиях эксплуатации, требующих высоких нагрузок.

Weight, Outer diameter (Da), Inner diameter (Di), Overall height (H), External bolt circle diameter (La), Internal bolt circle diameter (Li), Number of bolt holes per circle (n), Bolt hole diameter (B), Bolt size, Number of grease nipples , Diameter (O), Diameter (U), Ring height (H1), Ring height (H2), Distance at bottom outer ring/inner ring (Hu), Distance at top outer ring/inner ring (Ho), Gear P.C.D., Module , Number of teeth (z), Addendum modification (x*m), Addendum reduction (k.m), Tooth width (b), Permissible tangential forces normal, Permissible tangential forces MAX, Gear type,

QIBR - 012.20.0895.000.11.1504 Поворотный Подшипник Характеристики

012.20.0895.000.11.1504 Поворотный Подшипник, простота обслуживания, низкая стоимость, простота установки.012.20.0895.000.11.1504 Поворотный Подшипник, может выдерживать одновременно радиальную нагрузку, осевую нагрузку и опрокидывающий момент, подходит для механического оборудования с высокими требованиями к несущей способности.

012.20.0895.000.11.1504 Поворотный подшипник Особенности и преимущества

Компактная конструкция: Компактная конструкция позволяет устанавливать подшипники в условиях ограниченного пространства и имеет более широкий спектр применения.

Высокая грузоподъемность: Он может выдерживать осевые, радиальные и опрокидывающие моменты одновременно, подходит для тяжелых условий эксплуатации.

Превосходная точность: Поддерживают высокую точность в процессе эксплуатации и снижают количество ошибок при работе оборудования.

Высокая температура и износостойкость: Изготовлены из высокотемпературной подшипниковой стали, обладают хорошей износостойкостью и прочностью.

Применение: Широко используется в подъемных машинах, машиностроении, транспортном оборудовании, горном оборудовании, металлургическом оборудовании, медицинском оборудовании, судах, военных кораблях, радарах, ветрогенераторах и других областях.

QIBR - 012.20.0895.000.11.1504 Оптимизация поворотных подшипников

Замена смазки: Замените смазку на другие смазки, такие как SFK, Mobil, Krupp и т.д., чтобы оптимизировать рабочие характеристики и условия использования подшипника.

Оптимизация покрытия: Нанесите другие покрытия, такие как цинкование или никелирование, чтобы повысить коррозионную стойкость и износостойкость и продлить срок службы в жестких условиях эксплуатации.

Оптимизация процесса: Оптимизация процесса производства подшипников, увеличение диапазона рабочих температур подшипников, повышение точности и стабильности подшипников.

Больше возможностей для настройки: QIBR может оптимизировать конструкцию подшипника в соответствии с чертежами заказчика или требованиями оборудования, чтобы удовлетворить потребности оборудования.

QIBR - 012.20.0895.000.11.1504 Контроль качества поворотных подшипников

Измерение размеров: Использование различных профессиональных высокоточных приборов для измерения различных размеров подшипника, с высочайшей точностью до 0,01 мм.

Точность вращения: Используйте циферблатный индикатор для измерения небольших дефектов или отклонений на поверхности подшипника, с точностью измерения до 0,01 мм.

Измерение твердости: Используйте твердомер Лееба для измерения твердости поверхности подшипника, с точностью измерения ±6HLD.

Металлографический анализ: Используйте профессиональный металлографический микроскоп для анализа внутренней металлографической структуры металла.

Геометрический допуск: Используйте измеритель круглости для измерения геометрии и относительного положения подшипника.

Мониторинг шума: Используйте виброметр для контроля вибрации во время работы и получения данных о шуме.

KD 320
Loading...

Loading documents, please wait...