ROD03550-040DJ15-900-000

Внутренний диаметр:
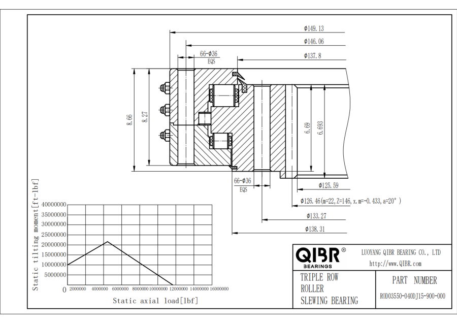
125.59 inch
Наружный диаметр:
149.13 inch
Ширина:
8.66 inch
Масса :
9,176.2 lbs

Мы предложим вам самое подходящее решение.

ROD03550-040DJ15-900-000

Изображения могут отличаться от продукта. Подробнее см. технические характеристики.

Бренд : QIBR
Тип элемента качения : Roller
Система измерения : Imperial
Вес : 9,176.2 lbs
Наружный Диаметр (Da) : 149.13 inch
Внутренний диаметр (Di) : 125.59 inch
Общая высота (H) : 8.66 inch
Наружный диаметр внутреннего кольца (O) : 138.31 inch
Внутренний диаметр наружного кольца (U) : 137.80 inch
Высота наружного кольца (H1) : 8.27 inch
Высота внутреннего кольца (H2) : 6.69 inch
Диаметр делительной окружности наружного кольца (La) : 146.06 inch
Диаметр делительной окружности внутреннего кольца (Li) : 133.27 inch
Количество отверстий на кольцо (n) : 66
Диаметр болта (M) : 36 mm
Количество форсунок для смазки : 8
Диаметр делительной окружности (d) : 126.46 inch
Модуль : 22 mm
Количество зубьев (z) : 146
Смещение профиля (x*m) : -0.433 inch
Редукция наконечника (k*m) : Ask Us
Ширина зуба (b) : 6.693 inch
Усилие на зубья шестерни (стандартное) : 73,108 lbf
Усилие на зубья шестерни (максимальное) : 146,216 lbf
Базовая статическая нагрузка : 11,790,555 lbf
Динамическая нагрузка : 1,167,433 lbs
Тип шестерни : Internal Gear
Температура : -20℃ to +120℃
Тип уплотнения : Closed Type
ROD03550-040DJ15-900-000
Weight, Outer diameter (Da), Inner diameter (Di), Total height (H), Outer diameter inner ring (O), Inner diameter outer ring (U), Height outer ring (H1), Height inner ring (H2), Pitch circle diameter outer ring (La), Pitch circle diameter inner ring (Li), Number of bores per ring (n), Bolt diameter (M), Number of grease nipples , Pitch circle diameter (d), Module , Number of teeth (z), Profile shift (x*m), Tip reduction (k*m), Tooth width (b), Tooth forces (standard), Tooth forces (maximum), Basic static load rating, Dynamic load , Gear type,

QIBR - ROD03550-040DJ15-900-000 Поворотный Подшипник Преимущества и Применения

ROD03550-040DJ15-900-000 Поворотный Подшипник, хорошая стабильность, сильная несущая способность,Inner diameter (Di) - 125.59 inch,Outer diameter (Da) - 149.13 inch,Total height (H) - 8.66 inch,Weight - 9,176.2 lbs, подходит для промышленных роботов, башенных кранов, систем слежения за солнцем, экскаваторов и т. д., и является наиболее широко используемым подшипником в рабочих условиях, которые должны выдерживать большие нагрузки.

Weight, Outer diameter (Da), Inner diameter (Di), Total height (H), Outer diameter inner ring (O), Inner diameter outer ring (U), Height outer ring (H1), Height inner ring (H2), Pitch circle diameter outer ring (La), Pitch circle diameter inner ring (Li), Number of bores per ring (n), Bolt diameter (M), Number of grease nipples , Pitch circle diameter (d), Module , Number of teeth (z), Profile shift (x*m), Tip reduction (k*m), Tooth width (b), Tooth forces (standard), Tooth forces (maximum), Basic static load rating, Dynamic load , Gear type,

QIBR - ROD03550-040DJ15-900-000 Поворотный Подшипник Характеристики

ROD03550-040DJ15-900-000 Поворотный Подшипник, низкая стоимость обслуживания, высокая производительность, простота установки. ROD03550-040DJ15-900-000 Поворотный Подшипник, может выдерживать радиальную нагрузку, осевую нагрузку и опрокидывающий момент одновременно, подходит для механического оборудования с высокими требованиями к несущей способности.

ROD03550-040DJ15-900-000 Поворотный подшипник Особенности и преимущества

Компактная конструкция: Компактная конструкция позволяет устанавливать подшипники в условиях ограниченного пространства и имеет более широкий спектр применения.

Высокая грузоподъемность: Он может выдерживать осевые, радиальные и опрокидывающие моменты одновременно, подходит для тяжелых условий эксплуатации.

Превосходная точность: Поддерживают высокую точность в процессе эксплуатации и снижают количество ошибок при работе оборудования.

Высокая температура и износостойкость: Изготовлены из высокотемпературной подшипниковой стали, обладают хорошей износостойкостью и прочностью.

Применение: Широко используется в подъемных машинах, машиностроении, транспортном оборудовании, горном оборудовании, металлургическом оборудовании, медицинском оборудовании, судах, военных кораблях, радарах, ветрогенераторах и других областях.

QIBR - ROD03550-040DJ15-900-000 Оптимизация поворотных подшипников

Замена смазки: Замените смазку на другие смазки, такие как SFK, Mobil, Krupp и т.д., чтобы оптимизировать рабочие характеристики и условия использования подшипника.

Оптимизация покрытия: Нанесите другие покрытия, такие как цинкование или никелирование, чтобы повысить коррозионную стойкость и износостойкость и продлить срок службы в жестких условиях эксплуатации.

Оптимизация процесса: Оптимизация процесса производства подшипников, увеличение диапазона рабочих температур подшипников, повышение точности и стабильности подшипников.

Больше возможностей для настройки: QIBR может оптимизировать конструкцию подшипника в соответствии с чертежами заказчика или требованиями оборудования, чтобы удовлетворить потребности оборудования.

QIBR - ROD03550-040DJ15-900-000 Контроль качества поворотных подшипников

Измерение размеров: Использование различных профессиональных высокоточных приборов для измерения различных размеров подшипника, с высочайшей точностью до 0,01 мм.

Точность вращения: Используйте циферблатный индикатор для измерения небольших дефектов или отклонений на поверхности подшипника, с точностью измерения до 0,01 мм.

Измерение твердости: Используйте твердомер Лееба для измерения твердости поверхности подшипника, с точностью измерения ±6HLD.

Металлографический анализ: Используйте профессиональный металлографический микроскоп для анализа внутренней металлографической структуры металла.

Геометрический допуск: Используйте измеритель круглости для измерения геометрии и относительного положения подшипника.

Мониторинг шума: Используйте виброметр для контроля вибрации во время работы и получения данных о шуме.

ROD_DJ
Loading...

Loading documents, please wait...