VSI 20 1094 N

Внутренний диаметр:
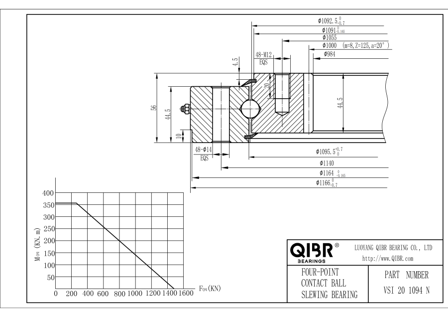
984 mm
Наружный диаметр:
1166 mm
Ширина:
56 mm
Масса :
91 kg

Мы предложим вам самое подходящее решение.

VSI 20 1094 N

Изображения могут отличаться от продукта. Подробнее см. технические характеристики.

Бренд : QIBR
Тип элемента качения : Ball
Система измерения : Metric
Вес : 91 kg
Наружный Диаметр (Da) : 1166 mm
Длина центрирования наружного диаметра (Da ZT-IT8) : 1164 mm
Внутренний диаметр (di) : 984 mm
Внутренний диаметр наружного кольца (Di) : 1095.5 mm
Наружный диаметр внутреннего кольца (da) : 1092.5 mm
Диаметр внешней окружности болта (La) : 1140 mm
Количество болтовых отверстий на наружном кольце (na) : 48
Внутренний диаметр окружности болта (Li) : 1055 mm
Количество отверстий под болты на внутреннем кольце (ni) : 48
Макс. радиальная нагрузка (фрикционный контакт) : 198.2 KN
Диаметр делительной окружности шестерни : 1000 mm
Модуль : 8 mm
Количество зубьев (z) : 125
Номинальное усилие на зубьях (Fz norm) : 31 KN
Макс. допустимое усилие на зуб : 47 KN
Осевая динамическая способность : 244 KN
Осевые статические нагрузки : 1490 KN
Радиальная динамическая нагрузка : 160 KN
Радиальная статическая нагрузка : 660 KN
Тип шестерни : Internal Gear
Температура : -20℃ to +120℃
Тип уплотнения : Closed Type
VSI 20 1094 N
Weight, Outer diameter (Da), Outer diameter centring length (Da ZT-IT8), Inner diameter (di), Internal diameter on outer ring (Di), External diameter on inner ring (da), External bolt circle diameter (La), Number of bolt holes at outer ring (na), Internal bolt circle diameter (Li), Number of bolt holes at inner ring (ni), MAX radial load (frictional contact), Gear P.C.D., Module , Number of teeth (z), Nominal tooth force (Fz norm), MAX permissible tooth force, Axial dynamic capacities , Axial static capacities, Radial dynamic load, Radial static load, Gear type,

QIBR - VSI 20 1094 N Поворотный Подшипник Преимущества и Применение

VSI 20 1094 N Поворотный Подшипник обладает высокой грузоподъемностью и высокой точностью.Inner diameter (di) - 984 mm,Outer diameter (Da) - 1166 mm,Weight - 91 kg. Он подходит для высокоскоростных железных дорог, самолетов, морских буровых платформ, поворотных столов, штабелеров и регенераторов и т. д. Это наиболее широко используемый подшипник в рабочих условиях, требующих высокой точности.

Weight, Outer diameter (Da), Outer diameter centring length (Da ZT-IT8), Inner diameter (di), Internal diameter on outer ring (Di), External diameter on inner ring (da), External bolt circle diameter (La), Number of bolt holes at outer ring (na), Internal bolt circle diameter (Li), Number of bolt holes at inner ring (ni), MAX radial load (frictional contact), Gear P.C.D., Module , Number of teeth (z), Nominal tooth force (Fz norm), MAX permissible tooth force, Axial dynamic capacities , Axial static capacities, Radial dynamic load, Radial static load, Gear type,

QIBR - VSI 20 1094 N Поворотный Подшипник Характеристики

VSI 20 1094 N Поворотный Подшипник, простое обслуживание, низкие затраты на обслуживание, простая установка. VSI 20 1094 N Поворотный Подшипник, может выдерживать одновременно радиальную нагрузку, осевую нагрузку и опрокидывающий момент, подходит для механического оборудования с высокими требованиями к несущей способности.

VSI 20 1094 N Поворотный подшипник Особенности и преимущества

Компактная конструкция: Компактная конструкция позволяет устанавливать подшипники в условиях ограниченного пространства и имеет более широкий спектр применения.

Высокая грузоподъемность: Он может выдерживать осевые, радиальные и опрокидывающие моменты одновременно, подходит для тяжелых условий эксплуатации.

Превосходная точность: Поддерживают высокую точность в процессе эксплуатации и снижают количество ошибок при работе оборудования.

Высокая температура и износостойкость: Изготовлены из высокотемпературной подшипниковой стали, обладают хорошей износостойкостью и прочностью.

Применение: Широко используется в подъемных машинах, машиностроении, транспортном оборудовании, горном оборудовании, металлургическом оборудовании, медицинском оборудовании, судах, военных кораблях, радарах, ветрогенераторах и других областях.

QIBR - VSI 20 1094 N Оптимизация поворотных подшипников

Замена смазки: Замените смазку на другие смазки, такие как SFK, Mobil, Krupp и т.д., чтобы оптимизировать рабочие характеристики и условия использования подшипника.

Оптимизация покрытия: Нанесите другие покрытия, такие как цинкование или никелирование, чтобы повысить коррозионную стойкость и износостойкость и продлить срок службы в жестких условиях эксплуатации.

Оптимизация процесса: Оптимизация процесса производства подшипников, увеличение диапазона рабочих температур подшипников, повышение точности и стабильности подшипников.

Больше возможностей для настройки: QIBR может оптимизировать конструкцию подшипника в соответствии с чертежами заказчика или требованиями оборудования, чтобы удовлетворить потребности оборудования.

QIBR - VSI 20 1094 N Контроль качества поворотных подшипников

Измерение размеров: Использование различных профессиональных высокоточных приборов для измерения различных размеров подшипника, с высочайшей точностью до 0,01 мм.

Точность вращения: Используйте циферблатный индикатор для измерения небольших дефектов или отклонений на поверхности подшипника, с точностью измерения до 0,01 мм.

Измерение твердости: Используйте твердомер Лееба для измерения твердости поверхности подшипника, с точностью измерения ±6HLD.

Металлографический анализ: Используйте профессиональный металлографический микроскоп для анализа внутренней металлографической структуры металла.

Геометрический допуск: Используйте измеритель круглости для измерения геометрии и относительного положения подшипника.

Мониторинг шума: Используйте виброметр для контроля вибрации во время работы и получения данных о шуме.

VSI
Loading...

Loading documents, please wait...