011.35.1600

Внутренний диаметр:
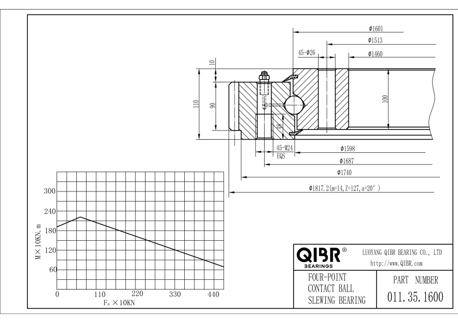
1460 mm
Наружный диаметр:
1740mm
Ширина:
110 mm

Мы предложим вам самое подходящее решение.

011.35.1600

Изображения могут отличаться от продукта. Подробнее см. технические характеристики.

Бренд : QIBR
Тип элемента качения : Ball
Система измерения : Metric
Наружный диаметр (D) : 1740mm
Внутренний диаметр (d) : 1460 mm
Общая высота (H) : 110 mm
Диаметр центральной окружности-наружное кольцо (D1) : 1687 mm
Диаметр центральной окружности-внутреннее кольцо (D2) : 1513 mm
Диаметр сквозных отверстий (dn1&dn2) : 26 mm
Диаметр резьбовых отверстий (dm1&dm2) : M24
Глубина (L) : 48 mm
Количество отверстий : 45
Количество отверстий для смазки : 5
Наружный диаметр внутреннего кольца (D3) : 1601 mm
Внутренний диаметр наружного кольца (d1) : 1598 mm
Ширина наружного кольца (H1) : 100 mm
Перепад ширины в нижней части (h) : 10 mm
Ширина зубьев шестерни (b) : 90 mm
Модуль : 14 mm
Диаметр наконечника (da) : 1817.2 mm
Количество зубьев (z) : 127
Тип шестерни : External Gear
Температура : -20℃ to +120℃
Тип уплотнения : Closed Type
011.35.1600
Outer diameter (D), Inner diameter (d), Overall height (H), Center circle diameter-outer ring (D1), Center circle diameter-inner ring (D2), Diameter of through holes (dn1&dn2), Diameter of threaded holes (dm1&dm2), Depth (L), Number of holes, Number of grease holes, Outer diameter of inner ring (D3), Inner diameter of outer ring (d1), Width of outer ring (H1), Width difference at bottom (h), Gear tooth width (b), Module , Tip diameter (da), Number of teeth (z), Gear type,

QIBR - 011.35.1600 Поворотный Подшипник Преимущества и Применение

011.35.1600 Поворотный Подшипник обладает высокой износостойкостью, хорошей стабильностью и компактной структурой. Inner diameter (d) - это 1460 mm, Outer diameter (D) - это 1740mm, Overall height (H) - это 110 mm. Он подходит для парковых аттракционов, уплотнительных машин, бетононасосов, роторных экскаваторов, оборудования для выработки солнечной энергии и т.д. и является наиболее широко используемым подшипником в тяжелых условиях работы.

Outer diameter (D), Inner diameter (d), Overall height (H), Center circle diameter-outer ring (D1), Center circle diameter-inner ring (D2), Diameter of through holes (dn1&dn2), Diameter of threaded holes (dm1&dm2), Depth (L), Number of holes, Number of grease holes, Outer diameter of inner ring (D3), Inner diameter of outer ring (d1), Width of outer ring (H1), Width difference at bottom (h), Gear tooth width (b), Module , Tip diameter (da), Number of teeth (z), Gear type,

QIBR - 011.35.1600 Поворотный Подшипник Преимущества и Применение

011.35.1600 Поворотный Подшипник обладает высокой износостойкостью, хорошей стабильностью и компактной структурой. Inner diameter (d) - это 1460 mm, Outer diameter (D) - это 1740mm, Overall height (H) - это 110 mm. Он подходит для парковых аттракционов, уплотнительных машин, бетононасосов, роторных экскаваторов, оборудования для выработки солнечной энергии и т.д. и является наиболее широко используемым подшипником в тяжелых условиях работы.

011.35.1600 Поворотный подшипник Особенности и преимущества

Компактная конструкция: Компактная конструкция позволяет устанавливать подшипники в условиях ограниченного пространства и имеет более широкий спектр применения.

Высокая грузоподъемность: Он может выдерживать осевые, радиальные и опрокидывающие моменты одновременно, подходит для тяжелых условий эксплуатации.

Превосходная точность: Поддерживают высокую точность в процессе эксплуатации и снижают количество ошибок при работе оборудования.

Высокая температура и износостойкость: Изготовлены из высокотемпературной подшипниковой стали, обладают хорошей износостойкостью и прочностью.

Применение: Широко используется в подъемных машинах, машиностроении, транспортном оборудовании, горном оборудовании, металлургическом оборудовании, медицинском оборудовании, судах, военных кораблях, радарах, ветрогенераторах и других областях.

QIBR - 011.35.1600 Оптимизация поворотных подшипников

Замена смазки: Замените смазку на другие смазки, такие как SFK, Mobil, Krupp и т.д., чтобы оптимизировать рабочие характеристики и условия использования подшипника.

Оптимизация покрытия: Нанесите другие покрытия, такие как цинкование или никелирование, чтобы повысить коррозионную стойкость и износостойкость и продлить срок службы в жестких условиях эксплуатации.

Оптимизация процесса: Оптимизация процесса производства подшипников, увеличение диапазона рабочих температур подшипников, повышение точности и стабильности подшипников.

Больше возможностей для настройки: QIBR может оптимизировать конструкцию подшипника в соответствии с чертежами заказчика или требованиями оборудования, чтобы удовлетворить потребности оборудования.

QIBR - 011.35.1600 Контроль качества поворотных подшипников

Измерение размеров: Использование различных профессиональных высокоточных приборов для измерения различных размеров подшипника, с высочайшей точностью до 0,01 мм.

Точность вращения: Используйте циферблатный индикатор для измерения небольших дефектов или отклонений на поверхности подшипника, с точностью измерения до 0,01 мм.

Измерение твердости: Используйте твердомер Лееба для измерения твердости поверхности подшипника, с точностью измерения ±6HLD.

Металлографический анализ: Используйте профессиональный металлографический микроскоп для анализа внутренней металлографической структуры металла.

Геометрический допуск: Используйте измеритель круглости для измерения геометрии и относительного положения подшипника.

Мониторинг шума: Используйте виброметр для контроля вибрации во время работы и получения данных о шуме.

011
Loading...

Loading documents, please wait...